에스코텍에서 PANAMETRICS사 대리하여 판매하고 있는 XMO2 제품 입니다.
XMO2 제품의 주요 특징에 대해 안내드립니다.

- 간편한 유지보수 및 현장 교정이 가능합니다.
- 방폭지역 설치가능합니다.
- 교체부품 없는 간결한 구조의 제품입니다.
- GE 제품과의 휼륭한 호환성이 주요 특징입니다.
- 부식성 성분에 강한 Hastelloy 적용가능합니다.
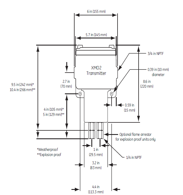
제품 도면

제품 사용
XMO2 출력은 수분과 산소 함량을 동시에 측정하고 표시하기 위해 GE 수분 시리즈 분석기의 입력으로 사용할 수 있습니다.

제품 사양
|
측정유체
|
산소(O2)
|
|
측정방법
|
Paramagnetic
|
|
측정범위
|
-0% to 1%
-0% to 2%
-0% to 5%
-0% to 10%
-0% to 21%
-0% to 25%
-0% to 50%
-0% to 100%
-90% to 100%
-80% to 100%
|
|
정확도
|
±1% of span / ±2% of span for 0 to 1% range
|
|
반응속도
|
90% Step Change 70sec. / Option : 15 sec
|
|
동작온도
|
45°C /Option : 60°C
|
|
권장유량
|
500cc/min
|
|
최대압력
|
20 psig
|
|
출력
|
4-20mA, RS232
|
|
전원
|
24 VDC
|
|
방폭등급
|
EEx d IIC T6 / IP66
|
|
크기
|
266 * 145 mm
|
|
무게
|
4.3 kg
|
어플리케이션(적용)
|
Inerting/blanketing liquid storage tanks
|
|
Reactor feed gases
|
|
Centrifuge gases
|
|
Catalyst regeneration
|
|
Solvent recovery
|
|
Landfill gas
|
|
Sewage wastewater digester gas
|
|
Oxygen purity
|
추가적으로 제품에 대한 문의나, 견적이 필요하신 고객님들은
홈페이지, 메일, 연락처로 연락주시면 빠른 상담 도와드릴 수 있도록 하겠습니다.
항상 노력하는 에스코텍(주)가 되겠습니다. 감사합니다.
제품 견적 및 카탈로그 요청
에스코텍(주) 영업지원부서 | Tel:031)287-9934 | 이메일:sales@scotech.co.kr
http://www.scotech.co.kr
'분석기 > 가스 분석기' 카테고리의 다른 글
| [SCOTECH] CX-100 (0) | 2023.07.24 |
|---|---|
| [PANAMETRICS] TMO2D (단종) (0) | 2023.07.24 |
| [PANAMETRICS] Oxy.IQ (0) | 2023.07.20 |
| [PANAMETRICS] CGA351 (0) | 2023.07.20 |
| [PANAMETRICS] XDP (단종) (0) | 2023.07.19 |