에스코텍에서 PANAMETRICS사 대리하여 판매하고 있는 액체용 초음파 센서 Sentinel LCT4 제품입니다.
Sentinel LCT4 제품의 주요 특징에 대해 안내드립니다.

- 높은 정확도를 지닌 초음파 유량계입니다.
- 표류가 없거나 정기적인 교정이 필요하지 않습니다.
- 압력 강하가 없습니다.
- 파이프에 제한이 없다는 가장 큰 장점이 있습니다.
- 움직이는 부품이 없고 필터나 스트레이너가 없습니다.
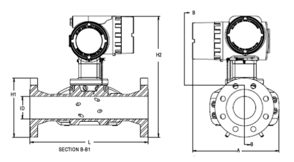
제품 이미지


Panaview Diagnostics (파나뷰 진단)을 통해 의사소통을 용이하게 합니다.

제품 사양
|
액체(수분) 유형
|
액체 탄화 수소, 조잡하고 정제 된 제품, 다른 액체들
|
|
선형성
|
유량 비율에 대한 측정된 부피의 1 과 33 ft/s 사이의 ± 0.15% (0.3 and 10 m/s)
|
|
불확실정(Uncertainty)
|
API MPMS 5.8 에 따른 ± 0.027%
|
|
동점도 범위
|
0 ~ 660 cSt
|
|
레이놀즈 범위
|
Re 10,000, 더 낮은 Reynolds 수의 경우 SCOTECH에 문의하십시오
|
|
프로세스 온도 (Process Temperature)
|
-40° ~ +140°C (-40° ~ +248°F) standard
|
|
주위 온도(Ambient Temperature)
|
-40° ~ +60°C (-40° ~ 140°F)
|
|
저장(보존) 온도(Storage Temperature)
|
-40° ~ +85°C (-40° ~ +176°F)
|
|
장비 재질
|
탄소강 SA216 Gr. WCB (카본 스틸), 저온 탄소강 SA352 Gr. LCB(저온 탄소강), 스테인레스 스틸 SA351 Gr. CF8 (304SS), 스테인레스 스틸 SA351 Gr CF8M (316SS)
|
|
파이프 크기
|
80A ~ 600A
|
|
프랜지 종류
|
150#, 300#, 600#
|
|
소비력
|
7 watt
|
|
디스플레이
|
고 대비 128 x 64 픽셀 LED 그래픽 디스플레이
|
|
출력
|
2개의 절연 주파수 / 펄스 출력, 알람 릴레이 2 개, HART®가있는 4/20 mA 출력 1 개
|
|
위험 지역 인증
|
미국 / 캐나다 : Class 1, Div 1, Group B, C, & D, 유럽 : ATEX II 2 G Ex d IIB + H2 (옵션으로 제공), IEC Ex : Ex d IIB + H2 (옵션으로 선택)
|
어플리케이션(적용)
|
액체 보관 전송 측정
|
|
할당 유량의 측정
|
|
파이프 라인 누출 감지
|
|
원유 및 정유 제품
|
|
고온의 유량 환경
|
|
극저온 유량 환경
|
|
높은 정확도와 정밀도를 모든 액체 요구
|
추가적으로 제품에 대한 문의나, 견적이 필요하신 고객님들은
홈페이지, 메일, 연락처로 연락주시면 빠른 상담 도와드릴 수 있도록 하겠습니다.
항상 노력하는 에스코텍(주)가 되겠습니다. 감사합니다.
제품 견적 및 카탈로그 요청
에스코텍(주) 영업지원부서 | Tel:031)287-9934 | 이메일:sales@scotech.co.kr
'유량계 > 초음파 유량계' 카테고리의 다른 글
| [PANAMETRICS] XMT1000 (0) | 2023.07.26 |
|---|---|
| [PANAMETRICS] Sentinel LNG (0) | 2023.07.04 |
| [PANAMETRICS] XGM868i (0) | 2023.06.16 |
| [PANAMETRICS] PT878GC (0) | 2023.06.16 |
| [PANAMETRICS] XMT868i (0) | 2023.06.12 |